PrijavaRegistracija

  • 0
  • 0

+381 64 05287xx

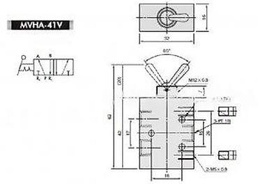
Ručni pneumatski ventil SNS HL2501-V – 5/2, navoj G1/8" Opis: - Ručno

Čačak

Ručni pneumatski ventil SNS HL2501-V – 5/2, navoj G1/8"

Opis:
- Ručno upravljani preklopni ventil sa polugom (toggle).
- Konfiguracija 5/2: jedan dovod (P), dva radna priključka (A, B) i dva izduva (EA, EB).
- Dvopoložajni rad:
- De-energized (1. pozicija): P spojen na A, B na izduv EB.
- Energized (2. pozicija): P spojen na B, A na izduv EA.
- Priključci: G1/8".
- Oznaka modela: HL2501-V (SNS HAND VALVE).
- Radni pritisak: 1.5–8 kgf/cm² (bar).
- Kompaktan aluminijumski blok‑korpus, ručica sa maticom za fiksiranje.
- Pogodno za upravljanje dvostrukodelujućim cilindrima i preusmeravanje vazduha u pneumatskim sistemima, testnim klupama i manuelnim stanicama.

Dimenzije (prema crtežu MVHA‑41V):
- Širina tela: približno 18 mm.
- Visina tela: 42 mm (ukupno oko 62 mm sa ručicom).
- Gornja ploha: 32 × 19 mm.
- Ugao preklapanja ručice: 80°.
- Navoj za fiksiranje ručice: M12 × 0.8.
- Priključci: 3 × PT 1/8 (G1/8 ekv.), dodatne montažne rupe M4.

Prednosti:
- Jasna mehanička povratna informacija i precizno preklapanje.
- Brza ugradnja zahvaljujući standardnim navojima G1/8".
- Dva izduva omogućavaju pouzdano odzračivanje svake strane cilindra.

Tipične primene:
- Ručno pokretanje/zaustavljanje pneumatskih aktuatora.
- Selektivno preusmeravanje protoka u servisnim i laboratorijskim postavkama.

Datum kreiranja: 17.03.2026
Datum ažuriranja: 17.03.2026
ID 111584605

Podelite sa prijateljima

Ljudi isto traže:

2 600 RSD

+381 64 05287xx

Pogledajte srodne ponude

  • Crevo za kompresor za vazduh sa brzim spojkama za pneumatiku
    Crevo za kompresor za vazduh sa brzim spojkama za pneumatiku

    1 650 RSD

    Crevo za kompresor za vazduh sa brzim spojkama za pneumatiku

    Crevo za kompresor za vazduh sa brzim spojkama za pneumatiku, pneumatsko crevo Duzina je 6m Spoljni precnik creva je 12mm Spiralno, na jednom kraju ima brzu spojku musku a na drugom brzu spojku zen...
  • PNEUMATIKA ELEKRTOMAGNETNI VENTIL 4V110-06 12VDC | Elektromagnetni
    PNEUMATIKA ELEKRTOMAGNETNI VENTIL 4V110-06 12VDC | Elektromagnetni

    2 850 RSD

    PNEUMATIKA ELEKRTOMAGNETNI VENTIL 4V110-06 12VDC | Elektromagnetni

    PNEUMATIKA ELEKRTOMAGNETNI VENTIL 4V110-06 12VDC | Elektromagnetni ventil V110-06 12 VDC je namenjen za komandne radnje dvosmernim pneumatskim klipovima. Na sebi ima taster za ručno rasterećenje ...
  • ABS ŽICA ZA 3D ŠTAMPAČ SVETLO VIOLET 1.75MM 10M | ABS prečnika
    ABS ŽICA ZA 3D ŠTAMPAČ SVETLO VIOLET 1.75MM 10M | ABS prečnika

    400 RSD

    ABS ŽICA ZA 3D ŠTAMPAČ SVETLO VIOLET 1.75MM 10M | ABS prečnika

    ABS ŽICA ZA 3D ŠTAMPAČ SVETLO VIOLET 1.75MM 10M | ABS prečnika 1.75mm, dužine 10 metera. Šifra: P1054 USLOVI PRODAJE: ARTIKLE NE ŠALJEM VAN TERITORIJE REPUBLIKE SRBIJE! Kupac plaća artikal, pouze...
  • PNEUMATSKI CILINDAR SDA25-10 | Ovaj pneumatski cilindar je namenjen
    PNEUMATSKI CILINDAR SDA25-10 | Ovaj pneumatski cilindar je namenjen

    2 500 RSD

    PNEUMATSKI CILINDAR SDA25-10 | Ovaj pneumatski cilindar je namenjen

    PNEUMATSKI CILINDAR SDA25-10 | Ovaj pneumatski cilindar je namenjen za uređaje gde se uz pomoć pritiska izvršava linearno pomeranje. Hod klipa je 10mm, prečnik 25mm. Tehničke karakteristike: Preč...
  • Pneumatsko dugme – STOP ventil - Tip: pneumatski potisni ventil (push
    Pneumatsko dugme – STOP ventil - Tip: pneumatski potisni ventil (push

    130 RSD

    Pneumatsko dugme – STOP ventil - Tip: pneumatski potisni ventil (push

    Pneumatsko dugme – STOP ventil - Tip: pneumatski potisni ventil (push button) sa funkcijom zaustavljanja – natpis “STOP” na pločici - Rad: ručno aktiviranje pritiskom na dugme; pogodno za blokadu/...
  • Brzi priključak/adapter za crevo – metalni - Tip: brzi
    Brzi priključak/adapter za crevo – metalni - Tip: brzi

    520 RSD

    Brzi priključak/adapter za crevo – metalni - Tip: brzi

    Brzi priključak/adapter za crevo – metalni - Tip: brzi pneumatski/hidraulični priključak sa nazubljenim nastavkom za crevo - Materijal: čelik/metalna legura otporna na habanje - Na jednom kraju: c...
  • Hidraulični/ventilski uložak – industrijski pneumatsko-hidraulični
    Hidraulični/ventilski uložak – industrijski pneumatsko-hidraulični

    1 350 RSD

    Hidraulični/ventilski uložak – industrijski pneumatsko-hidraulični

    Hidraulični/ventilski uložak – industrijski pneumatsko-hidraulični klizni ventil Opis: - Uložak ventila sa navojnim završetkom za ugradnju u kućište - Kućište od metala (aluminijum/čelik), otporno...
  • Aluminijumski brzi priključak za CO2 (quick disconnect) za
    Aluminijumski brzi priključak za CO2 (quick disconnect) za

    1 060 RSD

    Aluminijumski brzi priključak za CO2 (quick disconnect) za

    Aluminijumski brzi priključak za CO2 (quick disconnect) za pivo/napitke - Materijal: obrađeni aluminijum, knurling deo za sigurno držanje - Tip: brza spojka sa stepenastim nastavkom za crevo - Pri...
  • Ručna pumpa sa duplim delovanjem (Double Action Hand Pump) - Tip
    Ručna pumpa sa duplim delovanjem (Double Action Hand Pump) - Tip

    25 EUR

    Ručna pumpa sa duplim delovanjem (Double Action Hand Pump) - Tip

    Ručna pumpa sa duplim delovanjem (Double Action Hand Pump) - Tip: ručna pumpa za naduvavanje/izduvavanje - Duplo delovanje: pumpa vazduh i pri potisku i pri izvlačenju za brže punjenje - Crevo: fl...
  • Univerzalni dvokomorni gumeni meh (pneumatska torbica) za pumpanje i
    Univerzalni dvokomorni gumeni meh (pneumatska torbica) za pumpanje i

    630 RSD

    Univerzalni dvokomorni gumeni meh (pneumatska torbica) za pumpanje i

    Univerzalni dvokomorni gumeni meh (pneumatska torbica) za pumpanje i nivelisanje - Dvostruki vazdušni jastuci povezani crevom, sa ventilom za naduvavanje/ispust vazduha - Napravljen od čvrste gume...
  • Univerzalni jednousmerni povratni ventil (check valve) za creva -
    Univerzalni jednousmerni povratni ventil (check valve) za creva -

    70 RSD

    Univerzalni jednousmerni povratni ventil (check valve) za creva -

    Univerzalni jednousmerni povratni ventil (check valve) za creva - Tip: linijski/plastični povratni ventil - Materijal: izdržljiva plastika (polipropilen/nylon tip) - Boja: bela/poluprovidna - Prik...
  • NOŽNA PUMPA BETO CFT-003 | NOŽNA PUMPA BETO CFT-003Lagana pumpa od
    NOŽNA PUMPA BETO CFT-003 | NOŽNA PUMPA BETO CFT-003Lagana pumpa od

    2 155 RSD

    NOŽNA PUMPA BETO CFT-003 | NOŽNA PUMPA BETO CFT-003Lagana pumpa od

    NOŽNA PUMPA BETO CFT-003 | NOŽNA PUMPA BETO CFT-003Lagana pumpa od plastikeNON-SLIP - neklizajuća površinaSa metalnim držačemManometarUniveralna dupla glava za FV/AV/DV ventile sa crevom dužine 5...
  • Ručna pumpa sa duplim delovanjem (Double Action Hand Pump) - Tip
    Ručna pumpa sa duplim delovanjem (Double Action Hand Pump) - Tip

    25 EUR

    Ručna pumpa sa duplim delovanjem (Double Action Hand Pump) - Tip

    Ručna pumpa sa duplim delovanjem (Double Action Hand Pump) - Tip: ručna pumpa za naduvavanje/izduvavanje - Duplo delovanje: pumpa vazduh i pri potisku i pri izvlačenju za brže punjenje - Crevo: fl...
  • Brza spojnice T DN 8/10 - Tip: T-razdelnik sa brzim spojnicama -
    Brza spojnice T DN 8/10 - Tip: T-razdelnik sa brzim spojnicama -

    Dogovor

    Brza spojnice T DN 8/10 - Tip: T-razdelnik sa brzim spojnicama -

    Brza spojnice T DN 8/10 - Tip: T-razdelnik sa brzim spojnicama - Oznake na telu: DN 8/10 i 10 S - Materijal: masivno metalno kućište (liveno/čelično), za zahtevne primene - Priključci: brze spojni...
  • Pneumatski cilindar – kompaktni tip - Materijal: aluminijumsko
    Pneumatski cilindar – kompaktni tip - Materijal: aluminijumsko

    40 EUR

    Pneumatski cilindar – kompaktni tip - Materijal: aluminijumsko

    Pneumatski cilindar – kompaktni tip - Materijal: aluminijumsko kućište sa žljebovima za montažu senzora - Tip hoda: jednostruko/dvostruko delujući (standardni kompaktni cilindar sa navojnim klipnj...
  • Pemaks Pneumatics – pneumatski cilindar sa magnetnim ublažavanjem
    Pemaks Pneumatics – pneumatski cilindar sa magnetnim ublažavanjem

    100 EUR

    Pemaks Pneumatics – pneumatski cilindar sa magnetnim ublažavanjem

    Pemaks Pneumatics – pneumatski cilindar sa magnetnim ublažavanjem, serija DMC Model: DMC-A 40-300 - Standard: ISO 15552 - Prečnik klipa: 40 mm - Hod: 300 mm - Tip: cilindar sa magnetnim klipom i p...
  • Nožna pumpa sa mehom (foot pump) za naduvavanje - Kompaktna nožna
    Nožna pumpa sa mehom (foot pump) za naduvavanje - Kompaktna nožna

    22 EUR

    Nožna pumpa sa mehom (foot pump) za naduvavanje - Kompaktna nožna

    Nožna pumpa sa mehom (foot pump) za naduvavanje - Kompaktna nožna pumpa sa mehom i fleksibilnim crevom - Dva priključka: za naduvavanje i izduvavanje (inflate/deflate) - U kompletu dolaze više uni...
  • NOŽNA PUMPA BETO CFT-003 | NOŽNA PUMPA BETO CFT-003Lagana pumpa od
    NOŽNA PUMPA BETO CFT-003 | NOŽNA PUMPA BETO CFT-003Lagana pumpa od

    2 155 RSD

    NOŽNA PUMPA BETO CFT-003 | NOŽNA PUMPA BETO CFT-003Lagana pumpa od

    NOŽNA PUMPA BETO CFT-003 | NOŽNA PUMPA BETO CFT-003Lagana pumpa od plastikeNON-SLIP - neklizajuća površinaSa metalnim držačemManometarUniveralna dupla glava za FV/AV/DV ventile sa crevom dužine 5...
  • Pneumatska mazalica novo. pneumatska mazalica novo pneumatska mazalica
    Pneumatska mazalica novo. pneumatska mazalica novo pneumatska mazalica

    12 900 RSD

    Pneumatska mazalica novo. pneumatska mazalica novo pneumatska mazalica

    Pneumatska mazalica novo. pneumatska mazalica novo pneumatska mazalica na tockovima je potpuno nekoriscena 8/12 litara. radni pritisak: 0.6- 0.8 bara dužina creva: oko 4m poručite proizvod uz par l...