PrijavaRegistracija

  • 0
  • 0

+381 64 05287xx

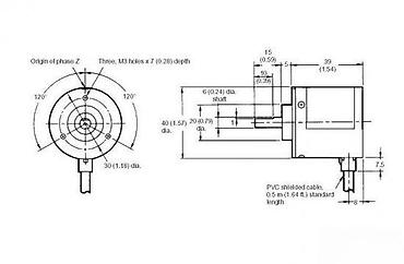
Rotacioni inkrementalni enkoder Omron E6B2-CWZ6C – 1000 impulsa po

Čačak

Rotacioni inkrementalni enkoder Omron E6B2-CWZ6C – 1000 impulsa po obrtaju

Tehničke specifikacije:
- Tip: inkrementalni rotacioni enkoder sa kvadraturnim izlazom (A, B, Z)
- Rezolucija: 1000 P/R (impulsa po obrtaju)
- Napajanje: 5–24 V DC
- Izlaz: NPN open-collector, zajednički GND
- Ožičenje: višežilni PVC oklopljeni kabl, standardna dužina 0,5 m
- Prečnik kućišta: 40 mm
- Prečnik osovine: 6 mm
- Dužina osovine: 15 mm (sa zarezom), upuštenje 10 mm
- Montaža: tri navoja M3 na 120° (dubina 7 mm)
- Dimenzije tela: približno 39 mm dužine
- Referentni impuls: faza Z (origin)
- U kompletu: spojnica/bučica za osovinu

Primena:
- CNC mašine, 3D štampači, automatizacija i robotika
- Pozicioniranje, merenje brzine i smera obrtanja
- Povratna sprega za servo i steper motore

Prednosti:
- Širok opseg napajanja 5–24 V DC
- Visoka rezolucija 1000 P/R za precizno pozicioniranje
- Robusno aluminijumsko kućište i oklopljen kabl za stabilan rad u industrijskom okruženju
- Standardne dimenzije i jednostavna ugradnja sa M3 navojima i 6 mm osovinom

Datum kreiranja: 17.03.2026
Datum ažuriranja: 17.03.2026
ID 111583734

Podelite sa prijateljima

5 800 RSD

+381 64 05287xx

Pogledajte srodne ponude

  • Pametni prekidač 💡 Dobrodošli u Davidov shop online market koji će
    Pametni prekidač 💡 Dobrodošli u Davidov shop online market koji će

    1 150 RSD

    Prekidači

    Pametni prekidač 💡 Dobrodošli u Davidov shop online market koji će

    Pametni prekidač 💡 Dobrodošli u Davidov shop online market koji će Vas oduševiti svojim kvalitetom, brzom isporukom i dugogodišnjim iskustvom. Davidov shop Vam nudi: 🛒 Sigurnu kupovinu 💸 Povrać...
  • IMP Ljubljana servo motor RV215-PEM41 220VAC Tehničke karakteristike
    IMP Ljubljana servo motor RV215-PEM41 220VAC Tehničke karakteristike

    5 000 RSD

    Prekidači

    IMP Ljubljana servo motor RV215-PEM41 220VAC Tehničke karakteristike

    IMP Ljubljana servo motor RV215-PEM41 220VAC Tehničke karakteristike (prema natpisnoj pločici): - Proizvođač: IMP – Industrijsko montažno podjetje, Ljubljana - Tip: RV 215 - Napajanje: ~220 V, 50 ...
  • Prekidač za svetla farova – automobil/motor - Tip: Dvopolžni
    Prekidač za svetla farova – automobil/motor - Tip: Dvopolžni

    1 290 RSD

    Prekidači

    Prekidač za svetla farova – automobil/motor - Tip: Dvopolžni

    Prekidač za svetla farova – automobil/motor - Tip: Dvopolžni klizni/rocker prekidač za kratka i duga svetla (simboli farova jasno označeni). - Materijal: Čvrsta plastična kućišta sa uokvirenom mas...
  • Termoprekidač ventilatora hladnjaka – automobilski - Namena
    Termoprekidač ventilatora hladnjaka – automobilski - Namena

    1 000 RSD

    Prekidači

    Termoprekidač ventilatora hladnjaka – automobilski - Namena

    Termoprekidač ventilatora hladnjaka – automobilski - Namena: automatsko uključivanje/isključivanje ventilatora hladnjaka pri zadatoj temperaturi rashladne tečnosti. - Tip: dvopolni električni prek...
  • Univerzalni prekidač za gašenje (kill switch) za motorne testere i
    Univerzalni prekidač za gašenje (kill switch) za motorne testere i

    290 RSD

    Prekidači

    Univerzalni prekidač za gašenje (kill switch) za motorne testere i

    Univerzalni prekidač za gašenje (kill switch) za motorne testere i baštenske mašine - Tip: klizni prekidač “STOP/ON” za zaustavljanje paljenja - Namena: za dvotaktne benzinske uređaje – motorne te...
  • Prekidač pritiska ulja – navojni senzor sa dva kontaktna terminala -
    Prekidač pritiska ulja – navojni senzor sa dva kontaktna terminala -

    1 590 RSD

    Prekidači

    Prekidač pritiska ulja – navojni senzor sa dva kontaktna terminala -

    Prekidač pritiska ulja – navojni senzor sa dva kontaktna terminala - Funkcija: detektuje pad/porast pritiska ulja i šalje signal instrument-tabli ili kontrolnoj jedinici (lampica/indikator). - Izv...
  • Kupp DIMMAT – potpuno elektronski senzor-dimer za rasvetu - Tip
    Kupp DIMMAT – potpuno elektronski senzor-dimer za rasvetu - Tip

    35 EUR

    Prekidači

    Kupp DIMMAT – potpuno elektronski senzor-dimer za rasvetu - Tip

    Kupp DIMMAT – potpuno elektronski senzor-dimer za rasvetu - Tip: zidni senzor-dimer (Super Dimmer DIMMAT) - Proizvođač: Kupp - Namena: regulacija svetla - Kompatibilnost sijalica: - klasične sij...
  • Magnetni prekidač (reed switch) za sigurnosne sisteme/domaću
    Magnetni prekidač (reed switch) za sigurnosne sisteme/domaću

    890 RSD

    Prekidači

    Magnetni prekidač (reed switch) za sigurnosne sisteme/domaću

    Magnetni prekidač (reed switch) za sigurnosne sisteme/domaću elektroniku Opis: - Kompaktan dvožilni magnetni prekidač u kućištu od crne plastike - Dva metalna konektora (pin konekcija) za lako pov...
  • Univerzalni prekidač za stop svetlo (mehanički, navojni) - Tip
    Univerzalni prekidač za stop svetlo (mehanički, navojni) - Tip

    560 RSD

    Prekidači

    Univerzalni prekidač za stop svetlo (mehanički, navojni) - Tip

    Univerzalni prekidač za stop svetlo (mehanički, navojni) - Tip: mehanički stop prekidač - Aktivacija: pritiskom klipa/kliznim klipom - Kućište: mesing/bronzani navoj za pouzdano pričvršćivanje - P...
  • Prekidač stop svetla (mehanički) za motocikle/skutere - Tip
    Prekidač stop svetla (mehanički) za motocikle/skutere - Tip

    2 230 RSD

    Prekidači

    Prekidač stop svetla (mehanički) za motocikle/skutere - Tip

    Prekidač stop svetla (mehanički) za motocikle/skutere - Tip: mehanički prekidač kočnice (aktivira stop svetlo pritiskom/otpuštanjem klipa) - Montaža: jednopoložajni nosač sa ušicom za šraf; dva ko...
  • Univerzalna prekidač–komanda za svetla/ubijanje motora (kill switch)
    Univerzalna prekidač–komanda za svetla/ubijanje motora (kill switch)

    2 800 RSD

    Prekidači

    Univerzalna prekidač–komanda za svetla/ubijanje motora (kill switch)

    Univerzalna prekidač–komanda za svetla/ubijanje motora (kill switch) za motocikle/mopede - Ručni prekidač sa polugom/klizačem, namenjen montaži na upravljač - Metalno kućište sa stezaljkom za čvrs...
  • Elektronski start/stop prekidač za motorne testere – komplet Opis: -
    Elektronski start/stop prekidač za motorne testere – komplet Opis: -

    1 240 RSD

    Prekidači

    Elektronski start/stop prekidač za motorne testere – komplet Opis: -

    Elektronski start/stop prekidač za motorne testere – komplet Opis: - Komplet uključuje: metalni prekidač (oznaka SIG-01) sa ušicom za montažu, kabl sa fabričkim konektorima, plastični osigurač/tas...
  • Prekidač za žmigavce/prikolicu – 4‑pin, oznake 638708, SAE J589 -
    Prekidač za žmigavce/prikolicu – 4‑pin, oznake 638708, SAE J589 -

    1 300 RSD

    Prekidači

    Prekidač za žmigavce/prikolicu – 4‑pin, oznake 638708, SAE J589 -

    Prekidač za žmigavce/prikolicu – 4‑pin, oznake 638708, SAE J589 - Tip: električni prekidač sa klizačem i ikonama strelica (levo/desno) za aktivaciju žmigavaca ili funkcija signalizacije, često kor...
  • Plastični prekidač/komandna konzola za Tomos – ručni prekidač na
    Plastični prekidač/komandna konzola za Tomos – ručni prekidač na

    1 500 RSD

    Prekidači

    Plastični prekidač/komandna konzola za Tomos – ručni prekidač na

    Plastični prekidač/komandna konzola za Tomos – ručni prekidač na upravljaču. - Namenjen za Tomos mopede (originalni deo, natpis “TOMOS 227.001 SAE 08 90 DOT” na kućištu). - Montira se na volan; sl...
  • Rocker prekidač ON/OFF (I/O), crveni - Tip: mini ljuljački prekidač
    Rocker prekidač ON/OFF (I/O), crveni - Tip: mini ljuljački prekidač

    150 RSD

    Prekidači

    Rocker prekidač ON/OFF (I/O), crveni - Tip: mini ljuljački prekidač

    Rocker prekidač ON/OFF (I/O), crveni - Tip: mini ljuljački prekidač (rocker), 2 pina - Funkcija: jednopolni prekidač, 2 položaja (ON – OFF) označeno simbolima “I” i “O” - Montaža: ugradni panelni ...
  • Ovaj kompaktni prekidač ima mesingano kućište sa navojnim delom za
    Ovaj kompaktni prekidač ima mesingano kućište sa navojnim delom za

    280 RSD

    Prekidači

    Ovaj kompaktni prekidač ima mesingano kućište sa navojnim delom za

    Ovaj kompaktni prekidač ima mesingano kućište sa navojnim delom za montažu. Poseduje crni vrh koji služi kao dugme za aktivaciju i rebrastu površinu za lakše rukovanje. Idealan je za različite elek...
  • Astrohn utični prigušivač (dimer) za sijalice - Tip: mehanički
    Astrohn utični prigušivač (dimer) za sijalice - Tip: mehanički

    45 EUR

    Prekidači

    Astrohn utični prigušivač (dimer) za sijalice - Tip: mehanički

    Astrohn utični prigušivač (dimer) za sijalice - Tip: mehanički dimer/prekidač koji se direktno uključuje u šuko utičnicu - Na prednjoj strani: šuko utičnica za priključivanje potrošača (npr. stona...
  • Industrijski rotacioni prekidač/selektor - Tip: višepoložajni
    Industrijski rotacioni prekidač/selektor - Tip: višepoložajni

    15 EUR

    Prekidači

    Industrijski rotacioni prekidač/selektor - Tip: višepoložajni

    Industrijski rotacioni prekidač/selektor - Tip: višepoložajni rotacioni prekidač (selektorski prekidač) sa prednjom pločom i ručicom - Montaža: panelna (prednja ploča sa navojem i vijcima za fiksi...
  • Univerzalni prekidač stop svetla za motocikle/skutere - Mehanički
    Univerzalni prekidač stop svetla za motocikle/skutere - Mehanički

    150 RSD

    Prekidači

    Univerzalni prekidač stop svetla za motocikle/skutere - Mehanički

    Univerzalni prekidač stop svetla za motocikle/skutere - Mehanički aktivirani prekidač, namenjen za ugradnju na ručicu kočnice (prednja kočnica). - Kućište sa navojem i maticom za lako pričvršćivan...
  • Dugme prekidač sirene za motocikl/skuter - Tip: električni prekidač
    Dugme prekidač sirene za motocikl/skuter - Tip: električni prekidač

    1 170 RSD

    Prekidači

    Dugme prekidač sirene za motocikl/skuter - Tip: električni prekidač

    Dugme prekidač sirene za motocikl/skuter - Tip: električni prekidač sirene (simbol trube na klackalici) - Montaža: upravljač/komandna tabla; standardni konektor za ugradnju u kućište prekidača - R...
  • Prekidač za uključivanje/isključivanje dizajniran za montiranje na
    Prekidač za uključivanje/isključivanje dizajniran za montiranje na

    2 380 RSD

    Prekidači

    Prekidač za uključivanje/isključivanje dizajniran za montiranje na

    Prekidač za uključivanje/isključivanje dizajniran za montiranje na upravljač motocikla. Poseduje crveno dugme za laku identifikaciju statusa. Opremljen je kablom i konektorom za jednostavno poveziv...
  • Telemecanique GV2ME06 – termalno-magnetni motorni zaštitni prekidač
    Telemecanique GV2ME06 – termalno-magnetni motorni zaštitni prekidač

    30 EUR

    Prekidači

    Telemecanique GV2ME06 – termalno-magnetni motorni zaštitni prekidač

    Telemecanique GV2ME06 – termalno-magnetni motorni zaštitni prekidač (MPCB) - Podešavanje struje: 1 – 1,6 A (In) - Tip: GV2ME06, ručno upravljanje sa tasterima START/STOP i indikacijom ON/OFF - Ugr...
  • Kontaktnu platinu (prekidač paljenja) za moped/tomos tip. Opis: -
    Kontaktnu platinu (prekidač paljenja) za moped/tomos tip. Opis: -

    380 RSD

    Prekidači

    Kontaktnu platinu (prekidač paljenja) za moped/tomos tip. Opis: -

    Kontaktnu platinu (prekidač paljenja) za moped/tomos tip. Opis: - Mehanički prekidač paljenja sa kablom i ušicom za uzemljenje - Kućište od presovanog metala, opružni jezičak i klizni nipl - Pred...
  • Ovaj prekidač sa crnom polugom je dizajniran za kontrolu električnih
    Ovaj prekidač sa crnom polugom je dizajniran za kontrolu električnih

    120 RSD

    Prekidači

    Ovaj prekidač sa crnom polugom je dizajniran za kontrolu električnih

    Ovaj prekidač sa crnom polugom je dizajniran za kontrolu električnih kola. Sastoji se od robusne poluge i metalnog kućišta sa navojem za montažu, što ga čini pogodnim za različite primene. Idealan ...
  • Univerzalni prekidač za upravljač motocikla/skutera – svetla i
    Univerzalni prekidač za upravljač motocikla/skutera – svetla i

    1 740 RSD

    Prekidači

    Univerzalni prekidač za upravljač motocikla/skutera – svetla i

    Univerzalni prekidač za upravljač motocikla/skutera – svetla i paljenje - Dvostruki prekidač: plavi klizač za svetla (pozicija/kratka), crveno dugme za električno paljenje/stop prekidač. - Montira...
  • Tipkalo za zvono sa signalnom lampicom – Ekon ElektroKontakt (model
    Tipkalo za zvono sa signalnom lampicom – Ekon ElektroKontakt (model

    1 EUR

    Prekidači

    Tipkalo za zvono sa signalnom lampicom – Ekon ElektroKontakt (model

    Tipkalo za zvono sa signalnom lampicom – Ekon ElektroKontakt (model 1123) - Namena: zidno tipkalo/taster za zvono ili upravljanje impulsnim kolima - Signalizacija: ugrađena crvena LED/lampica na p...