
12 000 RSD
Prohromski dimnjak/novo Nov prohromski dimnjak 1 metar fi 160 Sa dva
Prohromski dimnjak/novo Nov prohromski dimnjak 1 metar fi 160 Sa dva nosaca+381 63 3953xx
Dostava:
Pokupiti na licu mestaStanje:
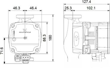
Novo*** AKCIJA ***#1253ALPHA1 L je visokoefikasna cirkulaciona pumpa dizajnirana za sisteme grejanja. Pumpa se može koristiti kao samostalna ili integrisana u postojeće sisteme kao zamena ili u nove sisteme grejanja. Max. kapacitet pumpe 2.800 l/hMax. visina isporuke 4,4 mUkupne dužine 180 mmNavojni spoj 1 ½ " (47 mm)Redovna cena preko 230 eura;Cena na akciji samo 125 eura;Kao NOVO, nije korišteno!_Opis:_Grundfos ALPHA1 L 32-40 180 je visokoefikasna cirkulaciona pumpa sa trajnim magnetnim motorom (ECM tehnologija). Pumpa ima tri načina upravljanja; način rada radijatorskog grejanja, način podnog grejanja i konstantna kriva/konstantna brzina. Dodatno, brzina se može kontrolisati niskonaponskim PWM (Pulse Width Modulation) signalom.Pumpa ima keramičko vratilo i radijalne ležajeve, karbonski potisni ležaj, rotor od nehrđajućeg čelika, noseću ploču i košuljicu rotora, kompozitno radno kolo, koji doprinose dugom veku trajanja, a pumpa je samoventilirajuća, što olakšava puštanje u rad i jednostavan izbor upravljanja način rada.Kompaktan dizajn sa glavom pumpe sa integrisanom kontrolnom kutijom i kontrolnom pločom odgovara najčešćim instalacijama i kotlovima. Pumpa i motor čine integralnu jedinicu bez zaptivke vratila.Pumpa je model sa mokrim pogonom. To znači da se ležajevi podmazuju pumpanom tekućinom. Ove konformacije garantuju rad bez održavanja. Kućište pumpe je napravljeno od livenog gvožđa i obloženo je bez elektronike radi poboljšanja otpornosti na koroziju. Motor je kompaktni sinhroni motor sa stalnim rotorom/statorom. Regulator pumpe je ugrađen u kontrolnu kutiju, koja je montirana na kućište statora i spojena na potonje preko konektora.
125 RSD
Poslednji put viđen(a) pre 20 min
Odgovara na 70% poruka Obično u toku dana

12 000 RSD
Prohromski dimnjak/novo Nov prohromski dimnjak 1 metar fi 160 Sa dva
Prohromski dimnjak/novo Nov prohromski dimnjak 1 metar fi 160 Sa dva nosaca
75 RSD
*** AKCIJA *** #2055 Kvalitetna cirkulaciona pumpa WILO StarRS25/4
*** AKCIJA *** #2055 Kvalitetna cirkulaciona pumpa WILO StarRS25/4 Primena za toplovodna grejanja, za klimatizaciju, industrijske cirkulacione instalacije; 3 stepena rada; Ugradna dužina 180mm; ...
75 RSD
*** SUPER AKCIJA *** #2658 Pumpa za grejanje GRUNDFOS UPS 15-20-20
*** SUPER AKCIJA *** #2658 Pumpa za grejanje GRUNDFOS UPS 15-20-20 180; Ugradna dužina 180mm; Prečnik navoja za spajanje: izmereno spolja cca 47mm; -Pumpe sa mokrim rotorom-Radna temperatura: do ...
85 RSD
*** SUPER AKCIJA *** #2613 Pumpa za grejanje GRUNDFOS UPS 25-40 180;
*** SUPER AKCIJA *** #2613 Pumpa za grejanje GRUNDFOS UPS 25-40 180; Ugradna dužina 180mm; Prečnik navoja za spajanje: izmereno spolja cca 47mm; -Pumpe sa mokrim rotorom-Radna temperatura: do 110...
5 600 RSD
ZL-7918A Automatski termostat kontroler inkubatora XM-18 🌡️🦆 Novo u
ZL-7918A Automatski termostat kontroler inkubatora XM-18 🌡️🦆 Novo u kutiji 📦 Uputstvo za upotrebu 📖 Karakteristike: Model: XM-18, isti kao ZL-7918A (iste karakteristike) Merni opseg temperature...
499 RSD
Digitalni Termostat Kontroler AC220V - Model W3230 🌡️🔌 Opis
Digitalni Termostat Kontroler AC220V - Model W3230 🌡️🔌 Opis proizvoda: Napajanje: 220V naizmenična struja ⚡ Opseg regulacije temperature: -55°C do +120°C 🌡️ Tačnost merenja: ±0.1°C 🔍 Tačnost k...
45 EUR
*** AKCIJA *** #2494 Pumpa za grejanje GRUNDFOS UPS 25-40 180; Ugradna
*** AKCIJA *** #2494 Pumpa za grejanje GRUNDFOS UPS 25-40 180; Ugradna dužina 180mm; Prečnik navoja za spajanje: izmereno spolja cca 47mm; **EKSTRA stanje;**
10 EUR
*** AKCIJA *** 0779 Glava termostatskog radijatorskog ventila DANFOSS
*** AKCIJA *** 0779 Glava termostatskog radijatorskog ventila DANFOSS RAE 5154 **NOVO, neraspakovano!** Danfoss termostatska glava s ugrađenim temperaturnim senzorom za pojedinačne prostorije i mog...
1 000 RSD
*** AKCIJA *** #2404 Cirkulacione pumpe za servisiranje; Cena po
*** AKCIJA *** #2404 Cirkulacione pumpe za servisiranje; Cena po komadu 1200 din. Cena za sve tri samo 3000 din. Informacije **** _Plaćanje možete izvršiti pouzećem ili uplatom pre slanja na tek...
3 000 RSD
Odlična kvarcna peć, takoreći nova, snage 2000W, sa tri stepena. Tabla
Odlična kvarcna peć, takoreći nova, snage 2000W, sa tri stepena. Tabla sa grejačima se podešava, a peć ima mogućnost kačenja na zid (poslednja fotografija). Dimenzije: 53x14cm, visina 24cm
30 RSD
*** AKCIJA *** #2351 Danfoss - SET Ventila sa termoglavom; RAE Set
*** AKCIJA *** #2351 Danfoss - SET Ventila sa termoglavom; RAE Set 013G5083; Ugaoni ventil sa termoglavom i prigušni ventil (1/2"); **Potpuno NOVO, neotpakovano!** **Raspoloživo još 3 seta-a;** ...
300 EUR
*** SUPER AKCIJA *** #2674 Pumpa za grejanje GRUNDFOS UPS 25-80 180;
*** SUPER AKCIJA *** #2674 Pumpa za grejanje GRUNDFOS UPS 25-80 180; Ugradna dužina 180mm; Prečnik navoja za spajanje: izmereno spolja cca 47mm; **EKSTRA stanje, bešumna;** **Bukvalno kao NOVA! ! !...
5 000 RSD
WiFi Termostat 16A za Električno i Podno Grejanje - Novo 🌡️🔥
WiFi Termostat 16A za Električno i Podno Grejanje - Novo 🌡️🔥 Specifikacije: Dolazi sa sondom dugom 2.5m 📏 Veliki LCD touch ekran 📱 Aplikacija za mobilni telefon – Podesite i kontrolišite grejan...
500 EUR
Viadrus U22 kotao na čvrsto gorivo - Liveni segmentni kotao
Viadrus U22 kotao na čvrsto gorivo - Liveni segmentni kotao, prepoznatljiv model U22 - Predviđen za loženje ugljem i/ili drvima - Prednja vrata sa regulacijom dovoda vazduha i otvorom za čišćenje/...
1 000 RSD
- Tip: panelni (čelični) radijator sa konvektorima - Boja: bela -
- Tip: panelni (čelični) radijator sa konvektorima - Boja: bela - Montaža: zidna, horizontalna - Gornja rešetka/otvor za konvekciju duž cele dužine radi boljeg strujanja toplote - Donji priključci ...
900 RSD
WiFi Termometar - TUYA Smart Life Smart HOME Senzor Temperature i
WiFi Termometar - TUYA Smart Life Smart HOME Senzor Temperature i Vlažnosti 🌡️💧 Opis proizvoda: WiFi termometar i vlagometar koji se može povezati sa drugim pametnim uređajima u kući kako bi se p...
115 RSD
*** AKCIJA *** #0063 Pumpa za grejanje GRUNDFOS UPE 32-60 180; Ugradna
*** AKCIJA *** #0063 Pumpa za grejanje GRUNDFOS UPE 32-60 180; Ugradna dužina 180mm; Prečnik navoja za spajanje: izmereno spolja cca 60mm; **EKSTRA stanje - Bešuman rad!** **Redovna cena 400 eura;*...