PrijavaRegistracija

  • 0
  • 0

+381 64 05287xx

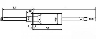
Temperaturna sonda do 400°C - Opseg merenja: do 400°C - Tip

Čačak

Temperaturna sonda do 400°C

- Opseg merenja: do 400°C
- Tip: industrijska sonda sa metalnom mer­nom kapilarom i navojem za ugradnju
- Navoj: M12 (vidljivo na tehničkom crtežu)
- Prečnik kućišta: Ø19 mm; dužina kućišta 50 mm
- Električni priključak: tri provodnika (crvena, zelena, crna) sa viljuškastim papučicama
- Izolovani priključni kabl bele boje, fleksibilan
- Materijal merne sonde: metalna cev (otpornost na visoke temperature)
- Namenjena za: kotlove, peći, industrijske procese, laboratorijsku opremu i aplikacije gde je potrebno precizno merenje i kontrola temperature do 400°C
- Montaža: uronska sonda sa matičnim navojem M12; pričvršćivanje pomoću kontra-matice
- Prednosti: brzo vreme odziva, stabilan rad na povišenim temperaturama, jednostavno povezivanje preko obeleženih žica

Isporučuje se kao komplet: uronska sonda sa navojem i fabrički povezan priključni kabl.

Datum kreiranja: 17.03.2026
Datum ažuriranja: 17.03.2026
ID 109771070

Podelite sa prijateljima

1 350 RSD

+381 64 05287xx

Pogledajte srodne ponude

  • ACO – Wien CMTTI-A/ÖBH prenosni mjerni i funkcijski uređaj Opis: -
    ACO – Wien CMTTI-A/ÖBH prenosni mjerni i funkcijski uređaj Opis: -

    1 RSD

    ACO – Wien CMTTI-A/ÖBH prenosni mjerni i funkcijski uređaj Opis: -

    ACO – Wien CMTTI-A/ÖBH prenosni mjerni i funkcijski uređaj Opis: - Profesionalni elektronski instrument ACO Integral‑Elektronik, model CMTTI‑A/ÖBH (oznaka na poleđini). - Gornji panel sa priključn...
  • TERMOSTAT REX-C100FK-02 400 STEPENI C | PID kontrola znači da sa
    TERMOSTAT REX-C100FK-02 400 STEPENI C | PID kontrola znači da sa

    4 000 RSD

    TERMOSTAT REX-C100FK-02 400 STEPENI C | PID kontrola znači da sa

    TERMOSTAT REX-C100FK-02 400 STEPENI C | PID kontrola znači da sa pribiližavanjem zadatoj temperaturi regulator počinje da na izlazu pravi sve veće pauze u radu tako da na kraju temperaturu održav...
  • Digitalni ubodni termometar Ubodni termometar merni opseg - 50-300°
    Digitalni ubodni termometar Ubodni termometar merni opseg - 50-300°

    500 RSD

    Digitalni ubodni termometar Ubodni termometar merni opseg - 50-300°

    Digitalni ubodni termometar Ubodni termometar merni opseg - 50-300° CUbodni termometar se upotrebljava u prehrambenoj industriji, laboratorijam a, pivarama, staklenicima. ✨ U prehrambenoj industri...
  • Digitalna kranska vaga (Crane Scale) sa kukom - LED ekran sa crvenim
    Digitalna kranska vaga (Crane Scale) sa kukom - LED ekran sa crvenim

    4 999 RSD

    Digitalna kranska vaga (Crane Scale) sa kukom - LED ekran sa crvenim

    Digitalna kranska vaga (Crane Scale) sa kukom - LED ekran sa crvenim sedmosegmentnim prikazom, jasno vidljiv u radionici i magacinu - Funkcije: tare (ZERO/TARE), hold (HOLD), stabilnost (STABLE) i...
  • Na prodaju NOV metal detektor TX850L! Prodajem potpuno nov metal
    Na prodaju NOV metal detektor TX850L! Prodajem potpuno nov metal

    17 000 RSD

    Na prodaju NOV metal detektor TX850L! Prodajem potpuno nov metal

    Na prodaju NOV metal detektor TX850L! Prodajem potpuno nov metal detektor TX850L, nekorišćen i spreman za rad. Idealan za pronalaženje novčića, nakita, relikvija i drugih metalnih predmeta. Odliča...
  • SENZOR ZA DALJINU GP2Y0A41SK0F 4-30CM | Senzor udaljenosti Sharp
    SENZOR ZA DALJINU GP2Y0A41SK0F 4-30CM | Senzor udaljenosti Sharp

    1 400 RSD

    SENZOR ZA DALJINU GP2Y0A41SK0F 4-30CM | Senzor udaljenosti Sharp

    SENZOR ZA DALJINU GP2Y0A41SK0F 4-30CM | Senzor udaljenosti Sharp GP2Y0A41SK0F je namenjen za projekte gde je neophodno precizno odrediti udaljenost od senzora uz pomoć IC zraka. Tehničke karakter...
  • DIGITALNA VAGA NOVA ZLATARSKA VAGICA AKCIJA | Cene nisu fiksne
    DIGITALNA VAGA NOVA ZLATARSKA VAGICA AKCIJA | Cene nisu fiksne

    799 RSD

    DIGITALNA VAGA NOVA ZLATARSKA VAGICA AKCIJA | Cene nisu fiksne

    DIGITALNA VAGA NOVA ZLATARSKA VAGICA AKCIJA | Cene nisu fiksne, odredite ih sami! Ukoliko budete realni, lako cemo se dogovoriti. Nemojte se stideti cenkanja, ovo nije prodavnica, tako da je svak...
  • Digitalna merna letva 1000/0,01mm(KAO NOVO) Proizvodac Mitutoyo iz
    Digitalna merna letva 1000/0,01mm(KAO NOVO) Proizvodac Mitutoyo iz

    25 000 RSD

    Digitalna merna letva 1000/0,01mm(KAO NOVO) Proizvodac Mitutoyo iz

    Digitalna merna letva 1000/0,01mm(KAO NOVO) Proizvodac Mitutoyo iz Japana. Izraden od nerdajuceg celika Podela: milimetarska 0.01mm(u mm ili u inch) Opseg (merenja): 0-1000mm Merilo ima slot za po...
  • SENZOR PRITISKA DO 110BARA (1600PSI) | Senzor služi za merenje
    SENZOR PRITISKA DO 110BARA (1600PSI) | Senzor služi za merenje

    3 750 RSD

    SENZOR PRITISKA DO 110BARA (1600PSI) | Senzor služi za merenje

    SENZOR PRITISKA DO 110BARA (1600PSI) | Senzor služi za merenje pritiska tečnosti i gasova, do 110 bara (1600 Psi). Tehničke karakteristike: - Radni napon: 5±0,25VDC - Izlazni napon: 0,5-4,5VDC - ...
  • Digitalni merač vlage MT10-T-NOVO. Digitalni merač vlage u drvetu
    Digitalni merač vlage MT10-T-NOVO. Digitalni merač vlage u drvetu

    Dogovor

    Digitalni merač vlage MT10-T-NOVO. Digitalni merač vlage u drvetu

    Digitalni merač vlage MT10-T-NOVO. Digitalni merač vlage u drvetu (engl. ✨ Digital Wood Moisture Meter), poznat pod modelim MT10. Koristi se za precizno merenje sadržaja vlage u raznim vrstama ...
  • Samolepljiva zidna mera visine (0–200 cm) - Mera visine u
    Samolepljiva zidna mera visine (0–200 cm) - Mera visine u

    200 RSD

    Samolepljiva zidna mera visine (0–200 cm) - Mera visine u

    Samolepljiva zidna mera visine (0–200 cm) - Mera visine u centimetrima, jasno obeležena na svaka 1 cm, sa naglašenim oznakama na svakih 5/10 cm za lakše očitavanje. - Raspon merenja: od poda do 20...
  • 7u1 TESTER VODE – PROFESIONALNI DIGITALNI MERAČ (pH / TDS / EC / SALT
    7u1 TESTER VODE – PROFESIONALNI DIGITALNI MERAČ (pH / TDS / EC / SALT

    5 999 RSD

    7u1 TESTER VODE – PROFESIONALNI DIGITALNI MERAČ (pH / TDS / EC / SALT

    7u1 TESTER VODE – PROFESIONALNI DIGITALNI MERAČ (pH / TDS / EC / SALT / ORP / TEMP / S.G.) ✅ ZAŠTO KUPITI OVAJ MODEL: • 7 funkcija u jednom uređaju • nema potrebe za više testera • brzo i precizn...
  • Zlatarska vaga nova digitalna vagica 0.01-200 gr akcija | cene nisu
    Zlatarska vaga nova digitalna vagica 0.01-200 gr akcija | cene nisu

    699 RSD

    Zlatarska vaga nova digitalna vagica 0.01-200 gr akcija | cene nisu

    Zlatarska vaga nova digitalna vagica 0.01-200 gr akcija | cene nisu fiksne, odredite ih sami! Ukoliko budete realni, lako cemo se dogovoriti. Nemojte se stideti cenkanja, ovo nije prodavnica, tak...
  • Digitalni(Bluetooth)šubler 150/0,01mm(KAO NOVO) Karakteristike: Hod
    Digitalni(Bluetooth)šubler 150/0,01mm(KAO NOVO) Karakteristike: Hod

    12 000 RSD

    Digitalni(Bluetooth)šubler 150/0,01mm(KAO NOVO) Karakteristike: Hod

    Digitalni(Bluetooth)šubler 150/0,01mm(KAO NOVO) Karakteristike: Hod je od 0 do 150mm Podela: 0.01mm Izraden od nerđajuceg čelika Sa Bluetooth-om i zaštitom IP67 Marka Švajcerska Sylvac Imate na n...
  • TERMO SONDA K 800 STEPENI CELZIJUSA | K tip termopara za merenje
    TERMO SONDA K 800 STEPENI CELZIJUSA | K tip termopara za merenje

    500 RSD

    TERMO SONDA K 800 STEPENI CELZIJUSA | K tip termopara za merenje

    TERMO SONDA K 800 STEPENI CELZIJUSA | K tip termopara za merenje temperature. Koristi se za električne termometre i termostate u opsegu od 0° C do 800° C. Navoj za montazu: M6 Merni opseg: od 0° ...
  • Digitalna merna letva 1000/0,01mm(KAO NOVO) Proizvodac Mitutoyo iz
    Digitalna merna letva 1000/0,01mm(KAO NOVO) Proizvodac Mitutoyo iz

    25 000 RSD

    Digitalna merna letva 1000/0,01mm(KAO NOVO) Proizvodac Mitutoyo iz

    Digitalna merna letva 1000/0,01mm(KAO NOVO) Proizvodac Mitutoyo iz Japana. Izraden od nerdajuceg celika Podela: milimetarska 0.01mm(u mm ili u inch) Opseg (merenja): 0-1000mm Merilo ima slot za po...
  • SENZOR PROTOKA VODE YF-S201 POLA COLA | Ovaj senzor je namenjen za
    SENZOR PROTOKA VODE YF-S201 POLA COLA | Ovaj senzor je namenjen za

    2 100 RSD

    SENZOR PROTOKA VODE YF-S201 POLA COLA | Ovaj senzor je namenjen za

    SENZOR PROTOKA VODE YF-S201 POLA COLA | Ovaj senzor je namenjen za merenje brzine protoka vode. Koristi se za elektronski nadzor i kontrolu vodovoda i centralnog grejanja. Tehničke karakteristike...
  • Zlatarska vaga nova digitalna vagica 0.01-200 gr akcija | cene nisu
    Zlatarska vaga nova digitalna vagica 0.01-200 gr akcija | cene nisu

    699 RSD

    Zlatarska vaga nova digitalna vagica 0.01-200 gr akcija | cene nisu

    Zlatarska vaga nova digitalna vagica 0.01-200 gr akcija | cene nisu fiksne, odredite ih sami! Ukoliko budete realni, lako cemo se dogovoriti. Nemojte se stideti cenkanja, ovo nije prodavnica, tak...
  • ARDUINO BH1750FVI SENZOR OSVETLJENJA | Ovaj senzor je namenjen za
    ARDUINO BH1750FVI SENZOR OSVETLJENJA | Ovaj senzor je namenjen za

    450 RSD

    ARDUINO BH1750FVI SENZOR OSVETLJENJA | Ovaj senzor je namenjen za

    ARDUINO BH1750FVI SENZOR OSVETLJENJA | Ovaj senzor je namenjen za detekciju jačine osvetljenja. Koristi BH1750FVI čip i ima AD konvertor tako signal šalje preko I2C u digitalnom obliku. Napaja se...
  • KANTAR NOV DIGITALNA VAGA DO 500 KG PIJACARSKI KANTAR AKCIJA | Cene
    KANTAR NOV DIGITALNA VAGA DO 500 KG PIJACARSKI KANTAR AKCIJA | Cene

    4 999 RSD

    KANTAR NOV DIGITALNA VAGA DO 500 KG PIJACARSKI KANTAR AKCIJA | Cene

    KANTAR NOV DIGITALNA VAGA DO 500 KG PIJACARSKI KANTAR AKCIJA | Cene nisu fiksne, odredite ih sami. Ukoliko budete realni, lako cemo se dogovoriti. Nemojte se stideti cenkanja, ovo nije prodavnica...
  • TERMO SONDA K 600 STEPENI CELZIJUSA | K tip termopara za merenje
    TERMO SONDA K 600 STEPENI CELZIJUSA | K tip termopara za merenje

    500 RSD

    TERMO SONDA K 600 STEPENI CELZIJUSA | K tip termopara za merenje

    TERMO SONDA K 600 STEPENI CELZIJUSA | K tip termopara za merenje temperature. Koristi se za električne termometre i termostate u opsegu od 0° C do 600° C. Navoj za montazu: M6 Merni opseg: od 0° ...
  • TERMO SONDA K1000 | Služi da meri temperaturo na odgovatajućem
    TERMO SONDA K1000 | Služi da meri temperaturo na odgovatajućem

    1 300 RSD

    TERMO SONDA K1000 | Služi da meri temperaturo na odgovatajućem

    TERMO SONDA K1000 | Služi da meri temperaturo na odgovatajućem mesru, do 1000° C. Prilikom montaže voditi računa o plaritetu. Tehničke karakteristike: - Model: K1000 - Temperatura: < 1000° C - Du...
  • DIGITALNA VAGA NOVA ZLATARSKA VAGICA AKCIJA | Cene nisu fiksne
    DIGITALNA VAGA NOVA ZLATARSKA VAGICA AKCIJA | Cene nisu fiksne

    799 RSD

    DIGITALNA VAGA NOVA ZLATARSKA VAGICA AKCIJA | Cene nisu fiksne

    DIGITALNA VAGA NOVA ZLATARSKA VAGICA AKCIJA | Cene nisu fiksne, odredite ih sami! Ukoliko budete realni, lako cemo se dogovoriti. Nemojte se stideti cenkanja, ovo nije prodavnica, tako da je svak...
  • Digitalni(Bluetooth)šubler 150/0,01mm(KAO NOVO) Karakteristike: Hod
    Digitalni(Bluetooth)šubler 150/0,01mm(KAO NOVO) Karakteristike: Hod

    12 000 RSD

    Digitalni(Bluetooth)šubler 150/0,01mm(KAO NOVO) Karakteristike: Hod

    Digitalni(Bluetooth)šubler 150/0,01mm(KAO NOVO) Karakteristike: Hod je od 0 do 150mm Podela: 0.01mm Izraden od nerđajuceg čelika Sa Bluetooth-om i zaštitom IP67 Marka Švajcerska Sylvac Imate na n...
  • Digitalni uglomer sa pozadinjskim osvetljenjem T-222 NOVO. Digitalni
    Digitalni uglomer sa pozadinjskim osvetljenjem T-222 NOVO. Digitalni

    2 550 RSD

    Digitalni uglomer sa pozadinjskim osvetljenjem T-222 NOVO. Digitalni

    Digitalni uglomer sa pozadinjskim osvetljenjem T-222 NOVO. Digitalni uglomer , takođe poznat kao digitalna kutija za libelu, inklinometar ili uglomer. ✨ Koristi se za merenje ili podešavanje ugl...
  • Set listića mernih listića (feeler gauge) – meri zazore i razmake -
    Set listića mernih listića (feeler gauge) – meri zazore i razmake -

    200 RSD

    Set listića mernih listića (feeler gauge) – meri zazore i razmake -

    Set listića mernih listića (feeler gauge) – meri zazore i razmake - Materijal: nerđajući čelik - Skala debljina (utisnuta na svakom listiću): 0.05, 0.20, 0.30, 0.40, 0.60, 0.70, 0.80, 0.90, 1.00 m...
  • LCD LASERSKI BROJAČ OBRTAJA BESKONTAKTNI DT-2234C+ | Uz pomoć ovog
    LCD LASERSKI BROJAČ OBRTAJA BESKONTAKTNI DT-2234C+ | Uz pomoć ovog

    3 850 RSD

    LCD LASERSKI BROJAČ OBRTAJA BESKONTAKTNI DT-2234C+ | Uz pomoć ovog

    LCD LASERSKI BROJAČ OBRTAJA BESKONTAKTNI DT-2234C+ | Uz pomoć ovog uređaja možete izmeriti broj obrtaja Vaših motora, rotacionih delova raznih mašina, prenosnih mehanizama, reduktora itd. Nije po...