PrijavaRegistracija

  • 0
  • 0

+381 64 05287xx

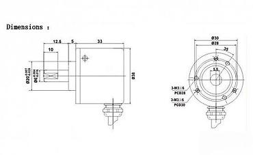
Inkrementalni rotacioni enkoder Ø38 mm sa kablom - Tip: inkrementalni

Čačak

Inkrementalni rotacioni enkoder Ø38 mm sa kablom

- Tip: inkrementalni (kvadraturni) enkoder sa osovinom
- Kućište: okruglo, prečnik 38 mm
- Prečnik osovine: 6 mm
- Dužina osovine: 10 mm
- Prihvatna ploča: krug rupa PCD 28/30 mm, 3 otvora M3×6
- Prednja montážna prirubnica sa 4 navojna ležišta
- Dimenzije tela: 33 mm (dužina), 38 mm (prečnik)
- Standardni izlazi A, B, Z (kvadraturni) + napajanje; višežilni kabl sa oljuštenim krajevima za direktno povezivanje
- Optička detekcija impulsa; pogodno za precizno merenje položaja, smera i brzine
- Tipične primene: CNC, 3D štampači, roboti, servo/step motori, transporteri, industrijska automatika
- Materijali: metalna prirubnica, robusno kućište; ležajno vođena osovina za stabilan rad
- Montaža: prednja prirubnica sa šrafovima M3; centriranje preko prirubnice Ø28/30 mm
- Električno: rad sa niskim naponom (DC), diferencijalni ili otvoreni kolektor u zavisnosti od povezivanja
- U kompletu: enkoder sa fabrički pričvršćenim višežilnim kablom

Napomena: Detaljne mehaničke mere prikazane su na crtežu (razmak rupa, prečnici i dubine) radi lakšeg uklapanja u postojeće sisteme.

Datum kreiranja: 17.03.2026
Datum ažuriranja: 17.03.2026
ID 111578543

Podelite sa prijateljima

4 250 RSD

+381 64 05287xx

Pogledajte srodne ponude

  • Sajla gasa za motocikl/skuter - Tip: sajla gasa sa spoljnim crnim
    Sajla gasa za motocikl/skuter - Tip: sajla gasa sa spoljnim crnim

    370 RSD

    Sajla gasa za motocikl/skuter - Tip: sajla gasa sa spoljnim crnim

    Sajla gasa za motocikl/skuter - Tip: sajla gasa sa spoljnim crnim bužirom i čeličnim užetom - Krajni nastavci: metalni završeci sa navojem i kugličastim/zupčastim okom za kačenje na ručicu/klipnas...
  • Sajla gasa za motocikl/skuter - Sajla sa spoljnim crnim bužirom i
    Sajla gasa za motocikl/skuter - Sajla sa spoljnim crnim bužirom i

    440 RSD

    Sajla gasa za motocikl/skuter - Sajla sa spoljnim crnim bužirom i

    Sajla gasa za motocikl/skuter - Sajla sa spoljnim crnim bužirom i unutrašnjim čeličnim užetom - Metalni završeci sa navojima za lako podešavanje napetosti - Jedan kraj sa T‑rukohvatom/prelaznikom ...
  • KONEKTOR ZA BATERIJU 9 V | Slanje po dogovoru ili lično preuzimanje
    KONEKTOR ZA BATERIJU 9 V | Slanje po dogovoru ili lično preuzimanje

    70 RSD

    KONEKTOR ZA BATERIJU 9 V | Slanje po dogovoru ili lično preuzimanje

    KONEKTOR ZA BATERIJU 9 V | Slanje po dogovoru ili lično preuzimanje - Novi Sad i okolina100% Novo100% Kao na sliciDužina kablića 15cmOžičenje, žica za bateriju 9v, konektor U ponudi je i model 2(...
  • Kodak AC adapter MPA-630 - Proizvođač: Kodak - Model: MPA-630 - Ulaz
    Kodak AC adapter MPA-630 - Proizvođač: Kodak - Model: MPA-630 - Ulaz

    10 EUR

    Kodak AC adapter MPA-630 - Proizvođač: Kodak - Model: MPA-630 - Ulaz

    Kodak AC adapter MPA-630 - Proizvođač: Kodak - Model: MPA-630 - Ulaz: 100–240 V ~ 50/60 Hz, 0.16 A max (širok opseg za međunarodnu upotrebu) - Izlaz: 1–12 V DC (podesivo), 0.8 A max - Tip priključ...
  • Vivanco Interconnect RCA audio kabl - Tip: analogni audio
    Vivanco Interconnect RCA audio kabl - Tip: analogni audio

    18 EUR

    Vivanco Interconnect RCA audio kabl - Tip: analogni audio

    Vivanco Interconnect RCA audio kabl - Tip: analogni audio interkonekt, 2x RCA muški – 2x RCA muški - Brend/model: Vivanco Interconnect Cable (plava izolacija) - Konektori: pozlaćeni RCA čepovi sa ...
  • FireWire 800 (IEEE 1394b) kabl – 9‑pin na 9‑pin - Tip konektora
    FireWire 800 (IEEE 1394b) kabl – 9‑pin na 9‑pin - Tip konektora

    10 EUR

    FireWire 800 (IEEE 1394b) kabl – 9‑pin na 9‑pin - Tip konektora

    FireWire 800 (IEEE 1394b) kabl – 9‑pin na 9‑pin - Tip konektora: 9‑pin (male) na 9‑pin (male), FireWire 800 / IEEE 1394b - Namenjen za povezivanje uređaja sa FW800 portovima (npr. profesionalne ka...
  • Oehlbach kabl: DVI-I (dual link) na 3x RCA (Component Y/Pb/Pr) -
    Oehlbach kabl: DVI-I (dual link) na 3x RCA (Component Y/Pb/Pr) -

    13 EUR

    Oehlbach kabl: DVI-I (dual link) na 3x RCA (Component Y/Pb/Pr) -

    Oehlbach kabl: DVI-I (dual link) na 3x RCA (Component Y/Pb/Pr) - Profesionalni adapter-kabl za povezivanje izvora sa DVI-I izlazom na uređaje sa komponentnim ulazom (Y/Pb/Pr) preko 3x RCA konektor...
  • Sennheiser AC/DC adapter - Proizvođač: Sennheiser - Model: HZO992/OGS
    Sennheiser AC/DC adapter - Proizvođač: Sennheiser - Model: HZO992/OGS

    13 EUR

    Sennheiser AC/DC adapter - Proizvođač: Sennheiser - Model: HZO992/OGS

    Sennheiser AC/DC adapter - Proizvođač: Sennheiser - Model: HZO992/OGS (oznaka na kućištu može biti HZ 00992 ili slična varijanta) - Ulaz: 100–240 V ~ 50/60 Hz, 0.2 A (wide-range, pogodan za putova...
  • Profigold FireWire interkonekcioni kabl - Tip konektora: 4-pinski
    Profigold FireWire interkonekcioni kabl - Tip konektora: 4-pinski

    10 EUR

    Profigold FireWire interkonekcioni kabl - Tip konektora: 4-pinski

    Profigold FireWire interkonekcioni kabl - Tip konektora: 4-pinski IEEE 1394 (FireWire) na oba kraja - Brend: Profigold (feritne jezgre na kablu za smanjenje smetnji) - Namena: prenos podataka i di...
  • Profigold FireWire interkonekcioni kabl - Tip konektora: 4-pinski
    Profigold FireWire interkonekcioni kabl - Tip konektora: 4-pinski

    10 EUR

    Profigold FireWire interkonekcioni kabl - Tip konektora: 4-pinski

    Profigold FireWire interkonekcioni kabl - Tip konektora: 4-pinski IEEE 1394 (FireWire) na oba kraja - Brend: Profigold (feritne jezgre na kablu za smanjenje smetnji) - Namena: prenos podataka i di...
  • Hama FireWire DV kabl – IEEE 1394 AV, providan - Model: Hama 43103 -
    Hama FireWire DV kabl – IEEE 1394 AV, providan - Model: Hama 43103 -

    10 EUR

    Hama FireWire DV kabl – IEEE 1394 AV, providan - Model: Hama 43103 -

    Hama FireWire DV kabl – IEEE 1394 AV, providan - Model: Hama 43103 - Tip veze: FireWire (IEEE 1394) - Konektori: 4‑pinski (DV/mini IEEE 1394) na 6‑pinski (IEEE 1394) - Dužina: 2 m - Namenjen za po...
  • Kodak AC adapter MPA-630 - Proizvođač: Kodak - Model: MPA-630 - Ulaz
    Kodak AC adapter MPA-630 - Proizvođač: Kodak - Model: MPA-630 - Ulaz

    10 EUR

    Kodak AC adapter MPA-630 - Proizvođač: Kodak - Model: MPA-630 - Ulaz

    Kodak AC adapter MPA-630 - Proizvođač: Kodak - Model: MPA-630 - Ulaz: 100–240 V ~ 50/60 Hz, 0.16 A max (širok opseg za međunarodnu upotrebu) - Izlaz: 1–12 V DC (podesivo), 0.8 A max - Tip priključ...
  • Sennheiser AC/DC adapter - Proizvođač: Sennheiser - Model: HZO992/OGS
    Sennheiser AC/DC adapter - Proizvođač: Sennheiser - Model: HZO992/OGS

    13 EUR

    Sennheiser AC/DC adapter - Proizvođač: Sennheiser - Model: HZO992/OGS

    Sennheiser AC/DC adapter - Proizvođač: Sennheiser - Model: HZO992/OGS (oznaka na kućištu može biti HZ 00992 ili slična varijanta) - Ulaz: 100–240 V ~ 50/60 Hz, 0.2 A (wide-range, pogodan za putova...
  • HDMI na Micro HDMI kabl - Konektori: HDMI (standardni, muški) na
    HDMI na Micro HDMI kabl - Konektori: HDMI (standardni, muški) na

    650 RSD

    HDMI na Micro HDMI kabl - Konektori: HDMI (standardni, muški) na

    HDMI na Micro HDMI kabl - Konektori: HDMI (standardni, muški) na Micro HDMI Type D (muški) - Omogućava povezivanje kamera, akcionih kamera, tablet uređaja i drugih uređaja sa Micro HDMI priključko...
  • AV kabl 3.5 mm TRRS na 3x RCA (crveni/beli/žuti) - Konektori: 3.5 mm
    AV kabl 3.5 mm TRRS na 3x RCA (crveni/beli/žuti) - Konektori: 3.5 mm

    350 RSD

    AV kabl 3.5 mm TRRS na 3x RCA (crveni/beli/žuti) - Konektori: 3.5 mm

    AV kabl 3.5 mm TRRS na 3x RCA (crveni/beli/žuti) - Konektori: 3.5 mm 4-polni (TRRS) pod uglom 90° na 3x RCA (Audio L – beli, Audio R – crveni, Kompozitni video – žuti) - Namena: povezivanje kamera...
  • USB 2.0 A na Mini USB kabl - Priključci: USB-A (muški) na Mini USB
    USB 2.0 A na Mini USB kabl - Priključci: USB-A (muški) na Mini USB

    250 RSD

    USB 2.0 A na Mini USB kabl - Priključci: USB-A (muški) na Mini USB

    USB 2.0 A na Mini USB kabl - Priključci: USB-A (muški) na Mini USB (muški, 5‑pin) - Namenjen za povezivanje uređaja sa mini USB portom sa računarom ili punjačem: stariji digitalni fotoaparati, kam...
  • Stereo audio kabl 3.5 mm TRS (muški) na 2x RCA (muški) - Tip
    Stereo audio kabl 3.5 mm TRS (muški) na 2x RCA (muški) - Tip

    300 RSD

    Stereo audio kabl 3.5 mm TRS (muški) na 2x RCA (muški) - Tip

    Stereo audio kabl 3.5 mm TRS (muški) na 2x RCA (muški) - Tip konekcije: 3.5 mm stereo džek na jednom kraju, 2x RCA (crveni desni kanal, beli levi kanal) na drugom - Namena: povezivanje telefona, l...
  • FireWire 800 (IEEE 1394b) kabl – 9‑pin na 9‑pin - Tip konektora
    FireWire 800 (IEEE 1394b) kabl – 9‑pin na 9‑pin - Tip konektora

    10 EUR

    FireWire 800 (IEEE 1394b) kabl – 9‑pin na 9‑pin - Tip konektora

    FireWire 800 (IEEE 1394b) kabl – 9‑pin na 9‑pin - Tip konektora: 9‑pin (male) na 9‑pin (male), FireWire 800 / IEEE 1394b - Namenjen za povezivanje uređaja sa FW800 portovima (npr. profesionalne ka...
  • Nedis Stereo Video kabl – 3x RCA (muški) na 3x RCA (muški) - Tip
    Nedis Stereo Video kabl – 3x RCA (muški) na 3x RCA (muški) - Tip

    400 RSD

    Nedis Stereo Video kabl – 3x RCA (muški) na 3x RCA (muški) - Tip

    Nedis Stereo Video kabl – 3x RCA (muški) na 3x RCA (muški) - Tip konektora: RCA kompozitni – žuti (video), beli i crveni (stereo audio) - Konfiguracija: 3RCA muški na 3RCA muški - Namena: poveziva...
  • Audio adapter 3.5 mm ženski na 6.35 mm muški (stereo) - Konektori
    Audio adapter 3.5 mm ženski na 6.35 mm muški (stereo) - Konektori

    200 RSD

    Audio adapter 3.5 mm ženski na 6.35 mm muški (stereo) - Konektori

    Audio adapter 3.5 mm ženski na 6.35 mm muški (stereo) - Konektori: 3.5 mm TRS (ženski) na 6.35 mm TRS (muški) - Stereo prenos signala (levi/desni kanal) - Omogućava povezivanje slušalica ili uređa...
  • AV/RCA kabl 3.5 mm na 3x RCA (kompozitni video + stereo audio) -
    AV/RCA kabl 3.5 mm na 3x RCA (kompozitni video + stereo audio) -

    350 RSD

    AV/RCA kabl 3.5 mm na 3x RCA (kompozitni video + stereo audio) -

    AV/RCA kabl 3.5 mm na 3x RCA (kompozitni video + stereo audio) - Konektori: 3.5 mm TRRS (muški) na 3x RCA (muški) – žuti: video, belo i crveno: audio L/R - Namenjen za povezivanje uređaja sa 3.5 m...
  • Hama FireWire DV kabl – IEEE 1394 AV, providan - Model: Hama 43103 -
    Hama FireWire DV kabl – IEEE 1394 AV, providan - Model: Hama 43103 -

    10 EUR

    Hama FireWire DV kabl – IEEE 1394 AV, providan - Model: Hama 43103 -

    Hama FireWire DV kabl – IEEE 1394 AV, providan - Model: Hama 43103 - Tip veze: FireWire (IEEE 1394) - Konektori: 4‑pinski (DV/mini IEEE 1394) na 6‑pinski (IEEE 1394) - Dužina: 2 m - Namenjen za po...