PrijavaRegistracija

  • 0
  • 0

+381 64 05287xx

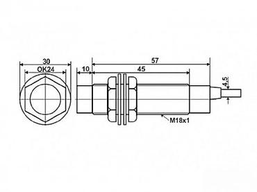
Induktivni senzor blizine M18, AC, domet 10 mm - Tip: induktivni

Čačak

Induktivni senzor blizine M18, AC, domet 10 mm

- Tip: induktivni cilindrični senzor blizine
- Navoj: M18 x 1, sa kontramaticama za lako fiksiranje
- Radni napon: AC (naizmenična struja)
- Detekcioni domet: 10 mm (tipično za metalne objekte)
- Kućište: metalno, narezano za jednostavnu montažu
- Priključak: kabal sa dve žice (siva izolacija), izlaz preko kablovskog pigtaila
- Prednja aktivna površina: plastična, narandžasta kapica
- Mehaničke dimenzije (približno): ukupna dužina tela 57 mm; ravni deo 45 mm; prečnik tela M18; širina matice OK24; dužina prednjeg dela 10 mm; izlazni kabal Ø oko 4,5 mm

Namena i primene:
- Detekcija prisustva/pozicije metalnih delova na mašinama i transporterima
- Brojanje i kontrola sekvenci na automatima i proizvodnim linijama
- Granična i sigurnosna signalizacija u industrijskim okruženjima
- Pogodno za montažu na nosače i panele sa M18 otvorom

Napomena: Induktivni senzori detektuju uglavnom metalne objekte; za nemetalne materijale koristiti kapacitivne ili fotoelektrične senzore.

Datum kreiranja: 17.03.2026
Datum ažuriranja: 17.03.2026
ID 109772208

Podelite sa prijateljima

1 950 RSD

+381 64 05287xx

Pogledajte srodne ponude

  • INDUKTIVNI PREKIDAČ LJ12A3-4-Z/BY PNP NO | Induktivni senzor se
    INDUKTIVNI PREKIDAČ LJ12A3-4-Z/BY PNP NO | Induktivni senzor se

    1 000 RSD

    INDUKTIVNI PREKIDAČ LJ12A3-4-Z/BY PNP NO | Induktivni senzor se

    INDUKTIVNI PREKIDAČ LJ12A3-4-Z/BY PNP NO | Induktivni senzor se koristi u mašinstvu i elektronici, gde je neophodno poslati signal ako se neki metalni predmet nalazi ispred senzora. Karakteristik...
  • ELEKTROMAGNETNI VENTIL 3/4 8BARA 12V DC | Elektromagnetni ventil
    ELEKTROMAGNETNI VENTIL 3/4 8BARA 12V DC | Elektromagnetni ventil

    2 200 RSD

    ELEKTROMAGNETNI VENTIL 3/4 8BARA 12V DC | Elektromagnetni ventil

    ELEKTROMAGNETNI VENTIL 3/4 8BARA 12V DC | Elektromagnetni ventil služi za prekidanje protoka vode ili gasa do pritiska od 0.8 MPa (8 bara) koji se nalazi nprmer u vodovodima. Pored vode, može da ...
  • IRG4PH30KD TO-247 IGBT TRANSISTORI ZA LENZE FREKVENTI 2 SLI | IGBT
    IRG4PH30KD TO-247 IGBT TRANSISTORI ZA LENZE FREKVENTI 2 SLI | IGBT

    1 550 RSD

    IRG4PH30KD TO-247 IGBT TRANSISTORI ZA LENZE FREKVENTI 2 SLI | IGBT

    IRG4PH30KD TO-247 IGBT TRANSISTORI ZA LENZE FREKVENTI 2 SLI | IGBT tranzistori u TO-247 izvedbi. Koriste se najčešće kod Lenze frekventnih regulatora. Cena se odnosi na dva komada, kao što se vid...
  • SIJALIČNO GRLO E27 SA DALJINSKIM UPRAVLJAČEM | Ovo sijalično glo se
    SIJALIČNO GRLO E27 SA DALJINSKIM UPRAVLJAČEM | Ovo sijalično glo se

    2 300 RSD

    SIJALIČNO GRLO E27 SA DALJINSKIM UPRAVLJAČEM | Ovo sijalično glo se

    SIJALIČNO GRLO E27 SA DALJINSKIM UPRAVLJAČEM | Ovo sijalično glo se uvrće u klasično sijalično grlo, i omogućava uključenje sijalice pompću daljinskog upravljača. Kad koristite daljnsku komandu n...
  • KONEKTOR ZA LEMLJENJE 1X5 PIN 2.54 ŽENSKI LEMNA LETVICA | Lemna
    KONEKTOR ZA LEMLJENJE 1X5 PIN 2.54 ŽENSKI LEMNA LETVICA | Lemna

    150 RSD

    KONEKTOR ZA LEMLJENJE 1X5 PIN 2.54 ŽENSKI LEMNA LETVICA | Lemna

    KONEKTOR ZA LEMLJENJE 1X5 PIN 2.54 ŽENSKI LEMNA LETVICA | Lemna letvica konektor za PCB ploče od 5 pina, udaljenost 2.54. U setu se nalazi 10 komada, kao sto je i na slici. Šifra: L1164 ARTIKLE N...
  • FOTOELEKTRINČNI SENZOR E3JK-R4M1 PREKIDAČ DO 4M 24VDC |
    FOTOELEKTRINČNI SENZOR E3JK-R4M1 PREKIDAČ DO 4M 24VDC |

    3 350 RSD

    FOTOELEKTRINČNI SENZOR E3JK-R4M1 PREKIDAČ DO 4M 24VDC |

    FOTOELEKTRINČNI SENZOR E3JK-R4M1 PREKIDAČ DO 4M 24VDC | Fotoelektrični senzor E3JK-R4M1 je namenjen za detekciju prisustva nekog objekta, koji blokira ili reflektuje snop svetla. Radi na jednosme...
  • ELEKTRICNA PUMPA ZA CAMCE, BAZENE, DUSEKE NOVA AKCIJA | Cene nisu
    ELEKTRICNA PUMPA ZA CAMCE, BAZENE, DUSEKE NOVA AKCIJA | Cene nisu

    1 399 RSD

    ELEKTRICNA PUMPA ZA CAMCE, BAZENE, DUSEKE NOVA AKCIJA | Cene nisu

    ELEKTRICNA PUMPA ZA CAMCE, BAZENE, DUSEKE NOVA AKCIJA | Cene nisu fiksne, odredite ih sami! Ukoliko budete realni, lako cemo se dogovoriti. Nemojte se stideti cenkanja, ovo nije prodavnica, tako ...
  • KLOCKNER MOELLER VREMENSKI RELE TE69-A | Multifunkcionalni vremenski
    KLOCKNER MOELLER VREMENSKI RELE TE69-A | Multifunkcionalni vremenski

    2 000 RSD

    KLOCKNER MOELLER VREMENSKI RELE TE69-A | Multifunkcionalni vremenski

    KLOCKNER MOELLER VREMENSKI RELE TE69-A | Multifunkcionalni vremenski rele TE 69-A. 8 osega delovanja, sa jednim preklopnim kontaktom. Namena je višestruka, zavisno gde treba da se upotrebi. Monta...
  • AMP/TE Connectivity TERMI-POINT kontakti na traci – 20 AWG - Serija
    AMP/TE Connectivity TERMI-POINT kontakti na traci – 20 AWG - Serija

    55 EUR

    AMP/TE Connectivity TERMI-POINT kontakti na traci – 20 AWG - Serija

    AMP/TE Connectivity TERMI-POINT kontakti na traci – 20 AWG - Serija: TERMI-POINT (Trade-Mark AMP) - Tip: muškim kontakt/clip za TERMI-POINT prese kovanje na traci (reel) - Veličina provodnika: 20 ...
  • OSMOKANALNI 8 KANALA ESP8266 ESP-0 1 WIFI RELEJ 5V 30A | Ova Wifi
    OSMOKANALNI 8 KANALA ESP8266 ESP-0 1 WIFI RELEJ 5V 30A | Ova Wifi

    3 350 RSD

    OSMOKANALNI 8 KANALA ESP8266 ESP-0 1 WIFI RELEJ 5V 30A | Ova Wifi

    OSMOKANALNI 8 KANALA ESP8266 ESP-0 1 WIFI RELEJ 5V 30A | Ova Wifi relejna ploča ima 8 kanala, i koristi ESP-12F WiFi modul za komunikaciju. Tehničke karakteristike: Broj releja (kanala): 8 Napaja...
  • KONTROLA VLAŽNOSTI ZEMLJE 1 RELEJ SA DISPLEJOM 12VDC | Ovaj modul je
    KONTROLA VLAŽNOSTI ZEMLJE 1 RELEJ SA DISPLEJOM 12VDC | Ovaj modul je

    1 100 RSD

    KONTROLA VLAŽNOSTI ZEMLJE 1 RELEJ SA DISPLEJOM 12VDC | Ovaj modul je

    KONTROLA VLAŽNOSTI ZEMLJE 1 RELEJ SA DISPLEJOM 12VDC | Ovaj modul je namenjen za odžavanje vlažnosti zemljišta. Poseduje senzor, koji se obode u zemlju. Taj senzor šalje informaciju o prisutnoj v...
  • ELEKTROMAGNETNI PODIZAČ DO 20 KG 12 VDC | Jednostavan za montažu
    ELEKTROMAGNETNI PODIZAČ DO 20 KG 12 VDC | Jednostavan za montažu

    3 600 RSD

    ELEKTROMAGNETNI PODIZAČ DO 20 KG 12 VDC | Jednostavan za montažu

    ELEKTROMAGNETNI PODIZAČ DO 20 KG 12 VDC | Jednostavan za montažu, pouzdan za rukovanje, jer radi sa malim naponom. Pogodan za upotrebu u domaćinstvu i u automatizaciji, za zaključavanje, zaustavl...
  • ČEŠALJ ZA STRUJU SIEMENS 3RV1915-1DB | SIEMENS češalj za struju
    ČEŠALJ ZA STRUJU SIEMENS 3RV1915-1DB | SIEMENS češalj za struju

    500 RSD

    ČEŠALJ ZA STRUJU SIEMENS 3RV1915-1DB | SIEMENS češalj za struju

    ČEŠALJ ZA STRUJU SIEMENS 3RV1915-1DB | SIEMENS češalj za struju 3RV1915-1DB, namenjen zameđusobno povezivanje kontaktora serije SIRIUS ili povezivanje grupe automatskih osigurača i to po pet kont...
  • E. Dold & Söhne multifunkcijsko vremensko rele E. DOLD MK7850N
    E. Dold & Söhne multifunkcijsko vremensko rele E. DOLD MK7850N

    55 EUR

    E. Dold & Söhne multifunkcijsko vremensko rele E. DOLD MK7850N

    E. Dold & Söhne multifunkcijsko vremensko rele E. DOLD MK7850N Opis: - Industrijski vremenski rele za montažu na DIN šinu - Više radnih funkcija i režima odlaganja (dijagrami funkcija odštampani n...
  • SIEMENS KONTAKTOR 3RT1016-2AP01 220VAC | SIEMENS kontaktor
    SIEMENS KONTAKTOR 3RT1016-2AP01 220VAC | SIEMENS kontaktor

    500 RSD

    SIEMENS KONTAKTOR 3RT1016-2AP01 220VAC | SIEMENS kontaktor

    SIEMENS KONTAKTOR 3RT1016-2AP01 220VAC | SIEMENS kontaktor 3RT1016-2AP01 220VAC, demontiran sa rashodovane mašine, polovan, proveren i ispravan. Napomena: Na ovaj artikal nema reklamacije. Tehnič...
  • Moeller DIL00M-01 kontaktor - Tip: elektromagnetni kontaktor za
    Moeller DIL00M-01 kontaktor - Tip: elektromagnetni kontaktor za

    30 EUR

    Moeller DIL00M-01 kontaktor - Tip: elektromagnetni kontaktor za

    Moeller DIL00M-01 kontaktor - Tip: elektromagnetni kontaktor za upravljanje motorima i industrijskim potrošačima - Serija: Klockner Moeller (Eaton) - Oznake priključaka: L1, L2, L3 ulazi; T1, T2, ...
  • DALJINSKA KOMANDA IR RELE 2X10A - 12V | Ovaj modul je namenjen za
    DALJINSKA KOMANDA IR RELE 2X10A - 12V | Ovaj modul je namenjen za

    2 600 RSD

    DALJINSKA KOMANDA IR RELE 2X10A - 12V | Ovaj modul je namenjen za

    DALJINSKA KOMANDA IR RELE 2X10A - 12V | Ovaj modul je namenjen za daljinsko upravljanje do 2 relea. Uz pomoć daljinskog upravljača se mogu paliti i gasiti. Kotisti napajanje modula od 12V DC, pre...
  • ISKRA KONTAKTOR K25 220VAC | ISKRA kontaktor K25 220VAC, demontiran
    ISKRA KONTAKTOR K25 220VAC | ISKRA kontaktor K25 220VAC, demontiran

    1 000 RSD

    ISKRA KONTAKTOR K25 220VAC | ISKRA kontaktor K25 220VAC, demontiran

    ISKRA KONTAKTOR K25 220VAC | ISKRA kontaktor K25 220VAC, demontiran sa rashodovane mašine, polovan, isproban i ispravan. Napomena: Na ovaj artikal nema reklamacije. Tehničke karakteristike: Proiz...
  • PUMPA ZA PRETAKANJE TECNOSTI NOVA ZA GORIVO ULJE KUPUS | Cene nisu
    PUMPA ZA PRETAKANJE TECNOSTI NOVA ZA GORIVO ULJE KUPUS | Cene nisu

    1 390 RSD

    PUMPA ZA PRETAKANJE TECNOSTI NOVA ZA GORIVO ULJE KUPUS | Cene nisu

    PUMPA ZA PRETAKANJE TECNOSTI NOVA ZA GORIVO ULJE KUPUS | Cene nisu fiksne, odredite ih sami! Ukoliko budete realni, lako cemo se dogovoriti. Nemojte se stideti cenkanja, ovo nije prodavnica, tako...
  • LiitoKala Lii 500 Univerzalni Pametan Punjač Dobro došli u Davidov
    LiitoKala Lii 500 Univerzalni Pametan Punjač Dobro došli u Davidov

    3 554 RSD

    LiitoKala Lii 500 Univerzalni Pametan Punjač Dobro došli u Davidov

    LiitoKala Lii 500 Univerzalni Pametan Punjač Dobro došli u Davidov shop online market, koji će Vas oduševiti svojim kvalitetom, brzom isporukom i dugogodišnjim iskustvom. Davidov shop Vam nudi: ...
  • RELEJSKA PLOČA SA 8 RELEA | Relejski modul je namenjen za prekidanje
    RELEJSKA PLOČA SA 8 RELEA | Relejski modul je namenjen za prekidanje

    1 500 RSD

    RELEJSKA PLOČA SA 8 RELEA | Relejski modul je namenjen za prekidanje

    RELEJSKA PLOČA SA 8 RELEA | Relejski modul je namenjen za prekidanje do 8 relea. Ploča je kompatibilna sa Arduino pločama, ali uz pomoć pat otpornika, možete upravljati sa releima i preko običnog...
  • ARDUINO JEDNOSTRUKI RELE 1X 220V RELEJ A | Ovaj modul je namenjen za
    ARDUINO JEDNOSTRUKI RELE 1X 220V RELEJ A | Ovaj modul je namenjen za

    650 RSD

    ARDUINO JEDNOSTRUKI RELE 1X 220V RELEJ A | Ovaj modul je namenjen za

    ARDUINO JEDNOSTRUKI RELE 1X 220V RELEJ A | Ovaj modul je namenjen za Arduino i slične projekte, gde je neophodno upravljati releom. Pločica sadrzi jedan rele, koji može da preklapa najviše 10A na...
  • GENERATOR PULSA ZA STEPER MOTORE | Uz pomoć ovog uredjaja možete
    GENERATOR PULSA ZA STEPER MOTORE | Uz pomoć ovog uredjaja možete

    1 300 RSD

    GENERATOR PULSA ZA STEPER MOTORE | Uz pomoć ovog uredjaja možete

    GENERATOR PULSA ZA STEPER MOTORE | Uz pomoć ovog uredjaja možete generisati pulseve za steper motore. Tehničke karakteristike: Visoki frekventni opseg rada: 5.4k-160khz Srednji frekventni opseg r...