PrijavaRegistracija

  • 0
  • 0

+381 64 05287xx

Cilindrični induktivni senzor, tip M6/F6 mm – PNP, NO (normalno

Čačak

Cilindrični induktivni senzor, tip M6/F6 mm – PNP, NO (normalno otvoren).

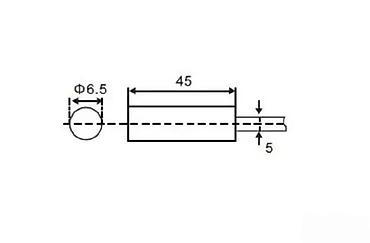
Tehničke karakteristike:
- Prečnik kućišta: 6 mm (F6)
- Dužina kućišta: 45 mm
- Tip izlaza: PNP
- Logika: NO (normalno otvoren)
- Cilindrično metalno kućište, čelo senzora ravno
- Trožilni kabl, dužina kabla višemetarska (crna izolacija), oljušteni krajevi za povezivanje
- Montaža u otvor Ø6,5 mm
- Referentna dubina umetanja: oko 5 mm (prema skici)

Primena:
- Detekcija metalnih objekata u automatizaciji, CNC, pakovanju, transportnim linijama i fixturama malih gabarita.
- Pogodno za ugradnju u uskim prostorima zahvaljujući tankom cilindričnom formatu.

Napomena o povezivanju (tipično za PNP NO):
- Braon: +V
- Plava: 0 V
- Crna: signal izlaza

Dimenzioni crtež na fotografiji prikazuje tačne mere za preciznu ugradnju.

Datum kreiranja: 17.03.2026
Datum ažuriranja: 17.03.2026
ID 111580210

Podelite sa prijateljima

1 250 RSD

+381 64 05287xx

Pogledajte srodne ponude

  • Baofeng UV5R / UV6R – Originalni punjač za Baofeng 🔋 Dobrodošli u
    Baofeng UV5R / UV6R – Originalni punjač za Baofeng 🔋 Dobrodošli u

    1 139 RSD

    Baofeng UV5R / UV6R – Originalni punjač za Baofeng 🔋 Dobrodošli u

    Baofeng UV5R / UV6R – Originalni punjač za Baofeng 🔋 Dobrodošli u Davidov shop, online market koji će vas oduševiti svojim kvalitetom, brzom isporukom i dugogodišnjim iskustvom! 🛒 Nudimo vam: Si...
  • MQ-6 GASNI SENZOR LPG, BUTAN | Ovaj gasni senzor je namenjen za
    MQ-6 GASNI SENZOR LPG, BUTAN | Ovaj gasni senzor je namenjen za

    350 RSD

    MQ-6 GASNI SENZOR LPG, BUTAN | Ovaj gasni senzor je namenjen za

    MQ-6 GASNI SENZOR LPG, BUTAN | Ovaj gasni senzor je namenjen za detekciju komprimovanog naftnog gasa tj LPG-a. To je gas koji se koristi u automobilima koji imaju ugrađen plin tj. pogon na TNG, k...
  • MLX90614 GY906 BEZKONTAKTNI IC TERMOMETARSKI ARDUINO MODUL | Ovaj
    MLX90614 GY906 BEZKONTAKTNI IC TERMOMETARSKI ARDUINO MODUL | Ovaj

    3 550 RSD

    MLX90614 GY906 BEZKONTAKTNI IC TERMOMETARSKI ARDUINO MODUL | Ovaj

    MLX90614 GY906 BEZKONTAKTNI IC TERMOMETARSKI ARDUINO MODUL | Ovaj modul je namenjen za merenje temperature čvrstih predmeta bez dodira istih. Pogodan je za praćenje temperature uproizvodnjim proc...
  • 10 KOMADA 1.27 MM MUŠKIH HEADER OD 6 PINA | U setu se nalazi 10
    10 KOMADA 1.27 MM MUŠKIH HEADER OD 6 PINA | U setu se nalazi 10

    350 RSD

    10 KOMADA 1.27 MM MUŠKIH HEADER OD 6 PINA | U setu se nalazi 10

    10 KOMADA 1.27 MM MUŠKIH HEADER OD 6 PINA | U setu se nalazi 10 komada muških headera šestopinski sa udaljenošću rupe od 1.27 mm. Sifra: L1133 USLOVI PRODAJE: ARTIKLE NE ŠALJEM VAN TERITORIJE REP...
  • Elektricna masina za motanje duvana Cena: 3000din Materijal ABS
    Elektricna masina za motanje duvana Cena: 3000din Materijal ABS

    3 000 RSD

    Elektricna masina za motanje duvana Cena: 3000din Materijal ABS

    Elektricna masina za motanje duvana Cena: 3000din Materijal ABS Plastika + Metal Motor Boja Crvena / Plava Veličina jedinice 220 x 90 x 75 mm Težina jedinice 531,5 g (sa pakovanjem) Ulazni napon 230V
  • RADARSKI SENZOR HFS-DC06 MIKROTALASNI 5.8 GHZ | Ovaj mali
    RADARSKI SENZOR HFS-DC06 MIKROTALASNI 5.8 GHZ | Ovaj mali

    1 300 RSD

    RADARSKI SENZOR HFS-DC06 MIKROTALASNI 5.8 GHZ | Ovaj mali

    RADARSKI SENZOR HFS-DC06 MIKROTALASNI 5.8 GHZ | Ovaj mali mikrotalasni radarski senzor je namenjen za određivanje udaljenosti i brzine kretanja objekata. Uređaj koristi kontroler HFS-DC06 koji ra...
  • USB RFID ČITAC TOKENA I KARTICA | Namenjen je da dokumentuje i
    USB RFID ČITAC TOKENA I KARTICA | Namenjen je da dokumentuje i

    2 100 RSD

    USB RFID ČITAC TOKENA I KARTICA | Namenjen je da dokumentuje i

    USB RFID ČITAC TOKENA I KARTICA | Namenjen je da dokumentuje i odobrava prolazak ljudi u zgradama, kancelarijama i ostalim mestima gde postoji potreba za brzim dokumentovanjem pristupa. Korisnik ...
  • WiFi pametni termostat – WISE 🌡️ Opis proizvoda: WiFi pametni
    WiFi pametni termostat – WISE 🌡️ Opis proizvoda: WiFi pametni

    9 690 RSD

    WiFi pametni termostat – WISE 🌡️ Opis proizvoda: WiFi pametni

    WiFi pametni termostat – WISE 🌡️ Opis proizvoda: WiFi pametni termostat WISE omogućava preciznu kontrolu grejanja sa bilo koje lokacije putem mobilnog telefona ili tableta. Idealan je za savremene...
  • VL6180X SENZOR ZA DALJINU 0-50CM TOF | VL6180X opticki senzor se
    VL6180X SENZOR ZA DALJINU 0-50CM TOF | VL6180X opticki senzor se

    1 450 RSD

    VL6180X SENZOR ZA DALJINU 0-50CM TOF | VL6180X opticki senzor se

    VL6180X SENZOR ZA DALJINU 0-50CM TOF | VL6180X opticki senzor se koristi za detekciju udaljenosti objekata u opsegu merenja od 10mm do 100mm. Koristi I2C protokol za merenje. Napaja se sa 3 do 5V...
  • Pretvarač napona 24-220-3000w. pretvarač napona 24-220-3000w
    Pretvarač napona 24-220-3000w. pretvarač napona 24-220-3000w

    6 390 RSD

    Pretvarač napona 24-220-3000w. pretvarač napona 24-220-3000w

    Pretvarač napona 24-220-3000w. pretvarač napona 24-220-3000w **pretvarac napona- 12v-220v 500w-2200din *pretvarac napona- 12v-220v 1000w-3200din *pretvarac napona- 12v-220v 2000w-4200din *pretvarac...
  • LASERSKI SENZOR MODUL ZA ARDUINO KY-008 650 NM | Ovaj modul se
    LASERSKI SENZOR MODUL ZA ARDUINO KY-008 650 NM | Ovaj modul se

    350 RSD

    LASERSKI SENZOR MODUL ZA ARDUINO KY-008 650 NM | Ovaj modul se

    LASERSKI SENZOR MODUL ZA ARDUINO KY-008 650 NM | Ovaj modul se koristi za projekte koji zahtevaju laserske senzor module. Tehničke karakteristike: Dimenzije: 15 x 24 mm Talasna dužina: 650 nm Šif...
  • USB kabl za punjenje električnog brijača – 2-pinski (dvostruki)
    USB kabl za punjenje električnog brijača – 2-pinski (dvostruki)

    10 EUR

    USB kabl za punjenje električnog brijača – 2-pinski (dvostruki)

    USB kabl za punjenje električnog brijača – 2-pinski (dvostruki) konektor - Konektori: USB-A (muški) na 2-pinski okrugli konektor za brijače - Kompatibilno sa velikim brojem električnih brijača koj...
  • DVD
    DVD

    2 500 RSD

    DVD

    DVD
  • Daljinski za garažna vrata Dobrodošli u Davidov shop online market
    Daljinski za garažna vrata Dobrodošli u Davidov shop online market

    782 RSD

    Daljinski za garažna vrata Dobrodošli u Davidov shop online market

    Daljinski za garažna vrata Dobrodošli u Davidov shop online market koji će vas oduševiti svojim kvalitetom, brzim isporukama i dugogodišnjim iskustvom. Davidov shop vam nudi: Sigurnu kupovinu P...
  • SENZOR TEŽINE I SILE DO 5 KG | Ovaj senzor je namenjen za merenje
    SENZOR TEŽINE I SILE DO 5 KG | Ovaj senzor je namenjen za merenje

    900 RSD

    SENZOR TEŽINE I SILE DO 5 KG | Ovaj senzor je namenjen za merenje

    SENZOR TEŽINE I SILE DO 5 KG | Ovaj senzor je namenjen za merenje mase ili vučne sile. Senzor je napravljen iz aluminiuma i stabilne plastike. Jedan deo se fiksira dok se drugi deo pričvrsti za p...
  • SMD OTPORNIK 4.7K OHM 1206 10 KOMADA | SMD otpornik vrednosti 4.7k
    SMD OTPORNIK 4.7K OHM 1206 10 KOMADA | SMD otpornik vrednosti 4.7k

    50 RSD

    SMD OTPORNIK 4.7K OHM 1206 10 KOMADA | SMD otpornik vrednosti 4.7k

    SMD OTPORNIK 4.7K OHM 1206 10 KOMADA | SMD otpornik vrednosti 4.7k Ohm, veličine 1206. U cenu je uračunato 10 otpornika na traci, kao sto se vidi na slici. Sifra: L1139 ARTIKLE NE ŠALJEM VAN TERI...
  • SMD OTPORNIK 620 OHM 1206 10 KOMADA | SMD otpornik vrednosti 620
    SMD OTPORNIK 620 OHM 1206 10 KOMADA | SMD otpornik vrednosti 620

    50 RSD

    SMD OTPORNIK 620 OHM 1206 10 KOMADA | SMD otpornik vrednosti 620

    SMD OTPORNIK 620 OHM 1206 10 KOMADA | SMD otpornik vrednosti 620 Ohm, veličine 1206. U cenu je uračunato 10 otpornika na traci, kao sto se vidi na slici. Sifra: L1142 ARTIKLE NE ŠALJEM VAN TERITO...
  • DDS SIGNAL GENERATOR | Signal generator se koristi za ispitivanje
    DDS SIGNAL GENERATOR | Signal generator se koristi za ispitivanje

    3 450 RSD

    DDS SIGNAL GENERATOR | Signal generator se koristi za ispitivanje

    DDS SIGNAL GENERATOR | Signal generator se koristi za ispitivanje uredjaja putem osciloskopa. Generi signal preciznog izgleda i frekvencije. Tehničke karakteristike: Izlazni signal do 8 MHz DDS s...
  • HB100 MIKROTALASNI SENZOR | Ovaj senzor je namenjen za detekciju
    HB100 MIKROTALASNI SENZOR | Ovaj senzor je namenjen za detekciju

    900 RSD

    HB100 MIKROTALASNI SENZOR | Ovaj senzor je namenjen za detekciju

    HB100 MIKROTALASNI SENZOR | Ovaj senzor je namenjen za detekciju kretanja. Može se koristiti za merenje udaljenosti ili merenje brzine kretanja. Koristi mikrotalasno zračenje, mereći vreme koje p...
  • IC FT232RL FTDI SSOP-28 | USB na Serijski UART i izvedbi SSOP-28
    IC FT232RL FTDI SSOP-28 | USB na Serijski UART i izvedbi SSOP-28

    650 RSD

    IC FT232RL FTDI SSOP-28 | USB na Serijski UART i izvedbi SSOP-28

    IC FT232RL FTDI SSOP-28 | USB na Serijski UART i izvedbi SSOP-28. Cena se odnosi na jedan komad. Šifra: L1014 ARTIKLE NE ŠALJEM VAN TERITORIJE REPUBLIKE SRBIJE! Kupac plaća artikal, pouzećem, zaj...
  • Soehnle napajanje/adapter 717.001.013 - Originalni mrežni adapter za
    Soehnle napajanje/adapter 717.001.013 - Originalni mrežni adapter za

    35 EUR

    Soehnle napajanje/adapter 717.001.013 - Originalni mrežni adapter za

    Soehnle napajanje/adapter 717.001.013 - Originalni mrežni adapter za Soehnle industrijske i trgovačke vage. - EU utikač (230 V AC ulaz), izlaz preko Soehnle mini 4‑pinske konekcije (specifični pra...
  • AS7341 SPEKTROMETAR I2C SENZOR ZA IR VIS 350 - 1000NM | AS7341 je
    AS7341 SPEKTROMETAR I2C SENZOR ZA IR VIS 350 - 1000NM | AS7341 je

    4 000 RSD

    AS7341 SPEKTROMETAR I2C SENZOR ZA IR VIS 350 - 1000NM | AS7341 je

    AS7341 SPEKTROMETAR I2C SENZOR ZA IR VIS 350 - 1000NM | AS7341 je spektroskopski modul, namenjen za rad sa Arduinon, Raspberry Pi i drugim mikrokontrolerima, koji koriste i2c protokol. Podržava u...